[Translate to Englisch:] CAPTRON Kompaktsonde

VA-214-SEP (Standard - external amplifier)

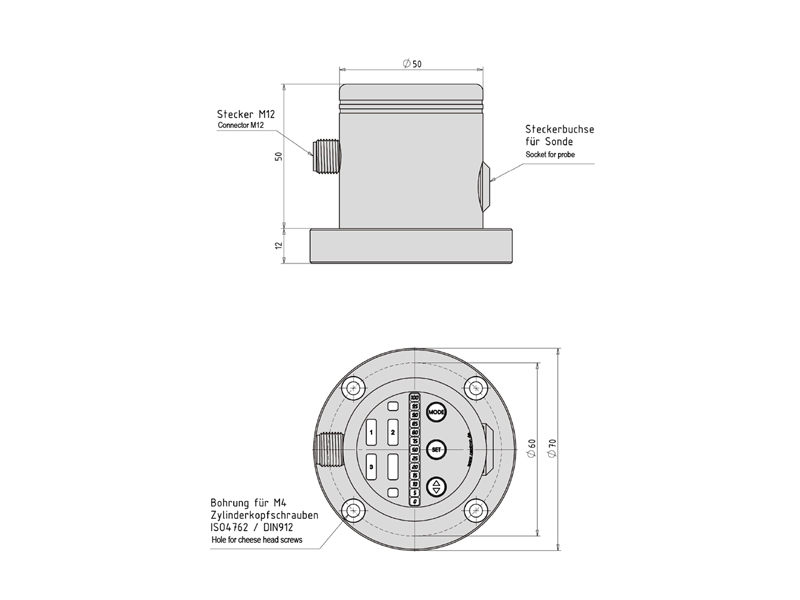
Description

One switching point and one analog value

  • Switching point NO / NC programmable
  • Output of the analog value as current or voltage
  • Analog value with cable breakdown protection
  • Measured value displayed by amplifier

 

application: PLANTS & MACHINES | FOOD & BEVERAGES

  • One switching point either NO / NC can be freely placed on the probe rod
    0...20mA, 4...20mA or 0...10V
  • Optical level representation by means of LED-bar indicator
  • One analog value can be output in three different versions

Downloads VA-214-SEP

Product Images

CAPTRON-Level-Sensors-external-amplifier-VA214

Technical Drawings

CAPTRON-drawingLevel-Sensors-external-amplifier

Application Images

CAPTRON-Fluid-Sensors-VA-214-SEP-Application-001
CAPTRON-Fluid-Sensors-VA-214-SEP-Application-002
1356x939_Querformat
1356x939_Hochformat

Housing colors

  • Alu-TEHousing cyan anodized aluminium

Specifications

Supply voltage 20…30V DC
Mounting method screw mounting
Connection M12
Operating temperature 0°C…+70°C
Optical feedback LED bar
Measuring accuracy +/- 1% of the upper limit of the effective range
+/- 3% of the upper limit of the effective range
Output Analog + PNP
Housing material Aluminium (AL)

Suitable Accessories

CAPTRON-Accessoires-Mounting-Support-Connection-Cable-M12

Cable M12

M12 cable for sensor connection

  • Straight or angled connector
  • Different lengths are available
  • Different numbers of cores are available
  • Screw mounting
     

APPLICATION: TRAFFIC & TRANSPORT | INDUSTRIAL AUTOMATION

CAPTRON-Accessoires-Relais-CRM1-RW

CRM1-RW

Relay 110V with NO/NC output 

  • PNP input
  • NO and NC output
  • Switching voltage 110V
  • Supply voltage 24V DC
     

APPLICATION: INDUSTRIAL AUTOMATION | BUILDING TECHNOLOGY

CAPTRON-Accessoires-VA-004-Protector

VA-004-Protector

Protective cover against unauthorized operation

  • For compact probes and external amplifiers
  • Cover made of transparent polycarbonate
  • Sealable

 

APPLICATION: INDUSTRIAL AUTOMATION | PLANTS & MACHINES

CAPTRON-Accessoires-VA-004-PLUMB

VA-004-Plumb(VE5)

Seal protective cover against unauthorized operation

  • For compact probes and external amplifiers
  • Compatible with VA-004-Protector


     

APPLICATION: INDUSTRIAL AUTOMATION | PLANTS & MACHINES

CAPTRON-Accessoires-VA-004-SET

VA-004-Protector/Plumb