cable LKG-60-datasheet
+ Download
SC30 (Dual Channel)
Description
Can be used as two-hand control in conjunction with a safety relay.
- Ø 50 mm switching surface
- Installation via standard Ø 22.5mm mounting hole
- Compatible with MCR225 and PILZ PNOZ 6s
- Certified by TÜV SÜD (EN ISO 13849-1, EN ISO 13851)
APPLICATION: PUNCHING | PRESSES
- Optical feedback
green LED (ready for operation)
yellow LED (switch) - 100 % water and oil-proof - IP68
Sensor is completely sealed in cast resin - M12 connection
5-pin and 6-pin versions - Video
+ Safe machine operation via two-hand control
Downloads SC30 (Dual Channel)










Service and Support
Product Images
Technical Drawings
Application Images
Housing colors
Housing traffic black (RAL 9017)
Features
Function: Static (permanent signal)
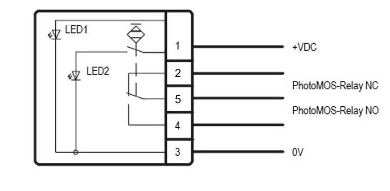
Switching output: PhotoMOS relay NC contact, NO contact
Specifications
| Supply voltage |
24V DC (19,2...28,8 V) |
| Output |
PhotoMOS-Relais, electronic |
| Optical feedback |
LED yellow LED green |
| Operating temperature |
-25°C...+75°C |
| IP protection level |
Front IP68 Back side IP67 |
| Current consumption |
Max. 20mA |
| Switch-off -delay |
Max. 50 ms |
| Switch-on-delay |
Max. 30 ms |
| Rated insulation voltage |
32 V |
| Connection |
M12 |
| Wire count |
5-pole 6-pole |
| Performance Level |
Ple* |
| MTTFd |
1123 years |
| Category |
CAT 4* |
| PFHd |
2,47 E-10 /h |
| DC |
0 (99% mit Relais) |
| TM |
20 years |
| Note* |
Values are achieved in conjunction with an appropriately approved safety relay for two-hand controls |
Suitable Accessories
Cable M12
M12 cable for sensor connection
- Straight or angled connector
- Different lengths are available
- Different numbers of cores are available
- Screw mounting
APPLICATION: TRAFFIC & TRANSPORT | INDUSTRIAL AUTOMATION
MCR-225
Relay for SC4 and SC3x (Dual Channel)
- Inputs for SCA4 + SCB4; SC3x (Dual Channel)
- Output: 2 makers and 1 breaker
- Monitoring of external contactors for contact multiplication and reinforcement
via feedback loop Y1 - Y2 - Over-current and short-circuit proof
APPLICATION: PUNCHING | PRESSES
SCP-6 Protector
Protector for profile mounting of SC30, SL30
- Protector made of transparent polycarbonate
- Protection to avoid bypassing the two handed operation
APPLICATION: PUNCHING | PRESSES
German
English
Chinese
Polish

![[Translate to Englisch:] [Translate to Englisch:]](/fileadmin/user_upload/data/products/st/images/SC3x/SC30_Front_650x454px.jpg)












